Products Info 製品情報
パーライト |PL-36II

PDFダウンロード
製品特長
非常に明るい照射面をつくります
軽量で取り扱いが簡単
照射角は電球の選択により変更可
チルト固定ハンドルは左側が標準仕様です(右側をご希望の場合は、ご注文時にご指定ください)
製品仕様
- 形式名称・商品コード
- PL-36II(A10115)
- 本体質量
- 2.2kg
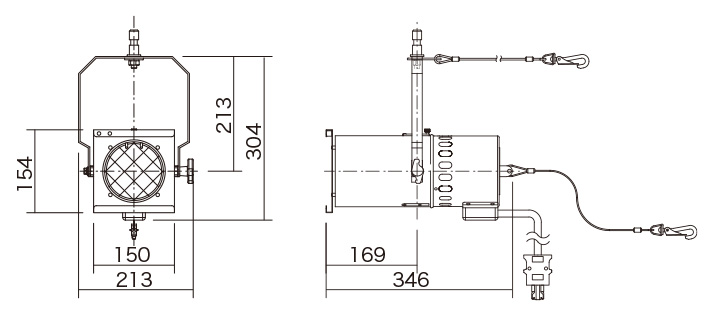
- 外形寸法
- W213×H304×D346mm
- 電源プラグ
- C型20A(ケーブル長1.5m)
- 適合電球
- JP 100V 300W C/N/S3/LT,C/W/S3/LT、500W C/N/S3/LT,C/W/S3/LT
- 付属品
- フィルタホルダ(150×150mm)
外形寸法図

照度データ
